Bez baterie. Bez složitého nastavování. Bez starostí.

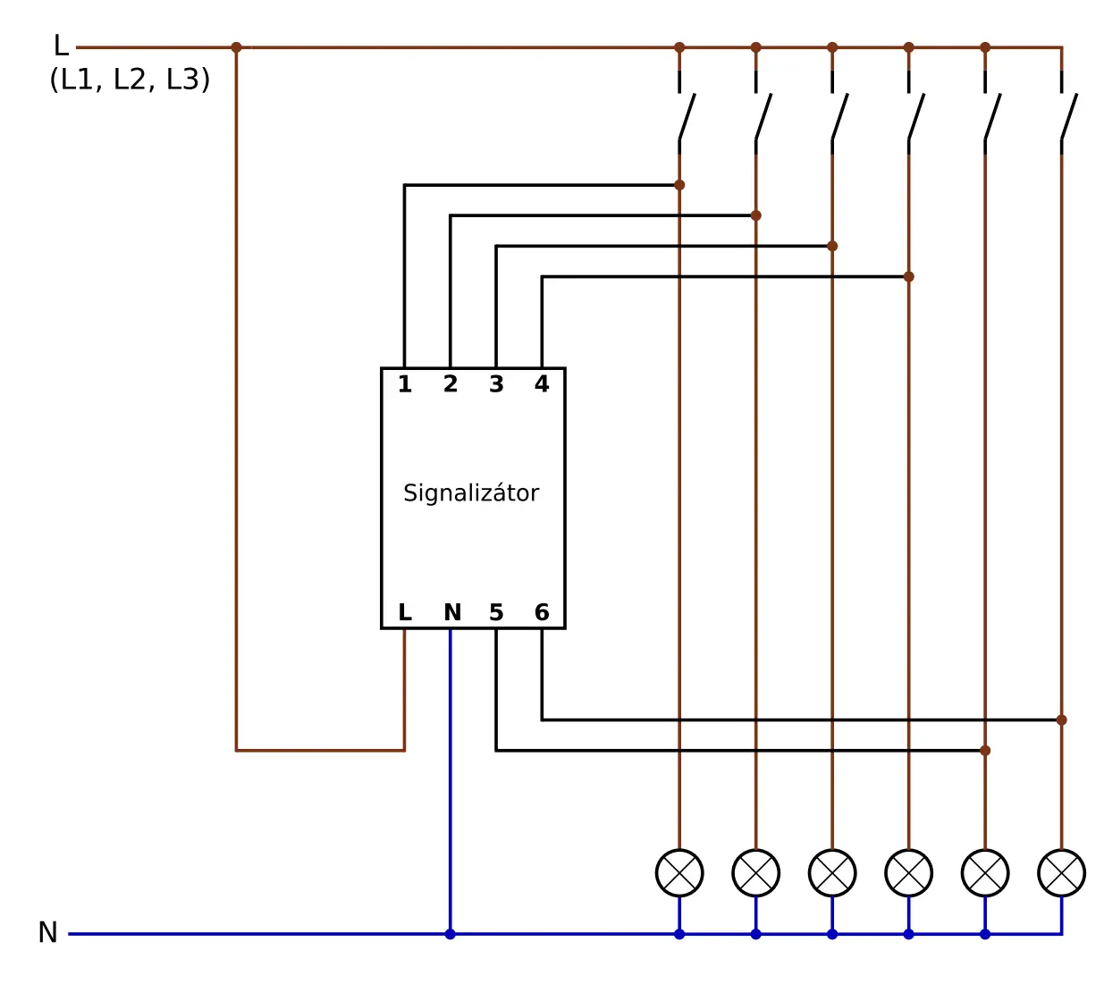
Hlídání sepnutí nebo vypnutí každého z 6 obvodů
Detekce podpětí v každém z 6 obvodů v rozsahu 24-250 V
Hlídání překročení okolní teploty v rozmezí 0-50°C
Detekce výpadku samotného signalizátoru (bez baterie)
Nastavení signalizátoru a sledování stavů včetně jejich historie je možné odkudkoliv na dálku přes online aplikaci bez nutnosti složitého posílání konfiguračních SMS nebo připojování signalizátoru k počítači.
Aplikace automaticky zdarma ukládá kompletní historiu stavů daného obvodu včetně hodnot napětí a teploty. Díky tomu můžete jednodušeji rozklíčovat, kde v systému nastal problém. Do historie se ukládají všechny události bez ohledu na to, zda pro ně je nebo není nastaven alarm.

Sepnutí obvodu znamená něco jiného u jističe a něco jiného u automatického nahazovače či jiných zařízení. U každého vstupu lze definovat barvu i popis stavů tak, aby přesně odpovídaly realitě.

Ke každé události lze nastavit libovolný počet emailů, SMS nebo telefonátů. O méně důležitých stavech si můžete nechat zdarma zasílat emaily. Pro urgentní záležitosti lze využít placené SMS či automatizované telefonáty, které probudí dotyčného i během noci.


| Parametr | Signalizátor BONEGA BSMS-6A | Dosavadní signalizátory ve stejné cenové kategorii |
|---|---|---|
| Počet sledovaných obvodů | 6 | 2-4 |
| Monitoring teploty | 0°C ~ +50°C, s rozlišením 1°C | Obvykle NE |
| Ovládání a nastavení | přes intuitivní online aplikaci | přes konfigurační SMS nebo fyzické propojení s počítačem |
| Nastavení SMS | odeslání SMS na libovolný počet čísel s různými texty | jedno telefonní číslo s jedním textem SMS |
| Předřazená pojistka | není nutná | v závislosti na výrobci |
| Rozsah AC napájení a napětí vstupů | ~200V až ~250V (AC L-N) | 230V AC nebo jen bateriové |
| Typ vstupů | pro přímé připojení na fázové vodiče | obvykle jen bezpotenciálový kontakt |
| Bezbateriová detekce výpadku signalizátoru | ANO | Obvykle NE |
| SIM karta součástí ceny a balení | ANO (fungující ve více než 80 zemích světa) | NE, je třeba řešit samostatně |
| Anténa | odnímatelná anténa pro případ náhrady anténou s koaxiálním kabelem (např. pro umístění mimo kovový rozvaděč) | dle výrobce |
| Rozměry | šířka dvou modulů 2 x 17,5 mm = 35 mm a výška bez antény 90 mm | obdobné |
| Uchycení | na DIN lištu | na DIN lištu |
| Maximální spotřeba: | pod 1 W | 2 W |



Speciální vestavěná SIM karta zajišťuje připojení k internetu ve více než 100 zemích světa dle mapy níže:

Vlastní SIM kartu nelze použít. Signalizátor již má pevně integrovanou eSIM fungující dnes ve více jak 100 zemích světa a to s kterýmkoli operátorem v dané zemi. Velkou výhodou tohoto řešení je automatické připojení k operátorovi s nejsilnějším signálem v daném místě. V případě zhoršení signálu nebo jeho úplné ztráty dojde automaticky k přepojení k jinému operátorovi. Odpadá tedy nutnost během montáže zkoušet SIM karty od různých operátorů a testovat, kdo má lepší signál.
Doba funkčnosti eSIM není nijak omezena. Jedinou podmínkou je, aby se alespoň jednou za 18 měsíců minimálně na 5 minut připojila k libovolnému operátorovi. V praxi to znamená, že je potřeba alespoň jednou za 18 měsíců připojit signalizátor k napájení. Připojení k operátorovi již proběhne zcela automaticky.
Jsme mnohdy mile překvapeni, že i v místech, kde si mobilem nezavoláte, odesílání dat ze signalizátoru funguje (např. plechové rozvaděče, podzemní prostory aj.). Pro případy slabého nebo žádného signálu mobilních operátorů máte možnost demontovat stávající anténu a pomocí kabelu ji nainstalovat tam, kde již signál je. Případně obráceně nainstalovat signalizátor do míst, kde signál je a vodiče pro signalizační obvody 1 až 6 natáhnout do požadovaných připojovacích míst.
Žádný nákup či registrace SIM karty není potřeba u našeho signalizátoru provádět. V přístroji je již vložena (napájena kvůli přechodovým odporům) tzv. eSIM karta. Ta umožňuje spolehlivý přístup přes různé operátory (vybere si vždy toho s nejlepším signálem a umí také mezi operátory podle aktuální situace přecházet) a to ve více než 80 zemích světa. Čili umí komunikovat se všemi mobilními operátory v dané zemi. SIM kartu máte již předplacenou v ceně výrobku a to na 10 let. Kartu lze po uplynutí 10 let znova obnovovat. V ceně výrobku již je:
Konfiguraci je možné provést na dálku kdykoliv po montáži přes online aplikaci na adrese www.signalizator.cz. Stačí kliknout na tlačítko Vstup do aplikace, založit zdarma účet s vlastním heslem, zadat výrobní číslo signalizátoru a nastavit požadovaná alarmová hlášení. Lze zvolit různé alarmy na zapnutí či vypnutí obvodů, podpětí či přepětí i překročení teploty a to prostřednictvím emailů, SMS nebo telefonátů. Díky volbě minimální doby trvání stavu je možné odstínit krátkodobé výpadky. Veškeré změny stavů však zůstávají uložené v historii bez ohledu na to, zda-li na ně byl navázán alarm či nikoliv.
Veškerá konfigurace a sledování stavů obvodů včetně historie je v aplikaci zdarma. Bezplatné je také neomezené zasílání emailových alarmů. Zpoplatněny jsou pouze SMS a telefonické alarmy a to prostřednictvím kreditů, které lze zakoupit s případnou množstevní slevou dle aktuální nabídky balíčků. Kredity jsou společné pro všechny signalizátory pod daným uživatelským účtem. Není tedy třeba zbytečně kupovat kredity navíc pro signalizátory, které jsou méně využívané.
Záměrně nemá neboť pro strategické instalace (energetika, vodárenství, atd.) je vhodnější využívat z bezpečnostních důvodů jen jednosměrné vysílání. Pracujeme však na samostatné verzi, která umožní dálkové ovládání elektrických zařízení.
Ano, je to možné a to několika způsoby:
Signalizátor BONEGA je zatím možné objednat telefonicky na čísle 732 834 610 nebo emailem na adriana.jamna@bonega.cz. Online objednávky jsou v přípravě.
SIM karta pro přístup k internetu ve více než 80 zemích světa
Neomezený počet emailových upozornění zdarma
Kredit na 30 SMS a 5 telefonátů zdarma
Přístup do online aplikace, kde lze sledovat aktuální stavy i podrobnou historii
Výroba a prodej: BONEGA spol. s r.o., Potoční 302, Sudoměřice nad Moravou, 696 66, Česká Republika, IČ: 46901281
Kontaktní osoba: Ing. Roman Hudeček, roman.hudecek@bonega.cz, +420 603 542 347
Technické řešení online aplikace: Maintop Businesses